炭焼作業

                                             炭焼小屋 記録史に戻る    炭焼広場に戻る               

火入れ

   

     

  竹酢液採取

 

   

炭焼作業    <写真-1>小屋前面

 

<写真-2>PC上のヒートパターン

   

<写真-3>バーナー点火前後の排煙状態,上Before、下After

 

炭焼窯の目と鼻の先に、新興住宅地が建ち並びこちらは丸見えの状態です(<写真-1>参照)。煙と臭いは厳禁です。従って、煙を見ながら炭を焼くことは出来ません。
炭焼は窯内と煙突口にセットしてある熱電対からリアルタイムに送り込まれる温度をPCでグラフ化し(<写真-2>参照)、焚き口ゲートと煙突口バタフライバルブの開度を調整することにより行っています。

炭焼中の排気装置全景(炭焼設備の何処にも煙はありません)

焚口閉め

 

                       煙突閉め

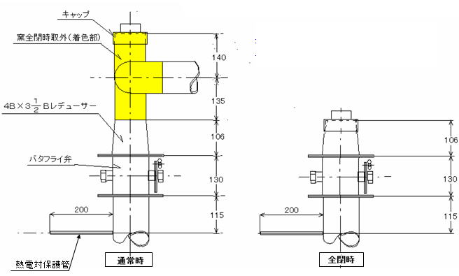
黄色部を外し、露出部は断熱材で巻きます

炭焼小屋 記録史に戻る    炭焼広場に戻る